宇电AI-301M型开关量I/O模块的广泛应用
2010-06-03
关键词:开关量控制 RS485 AI-301M
概述
在智能仪表高度发展的今天,二次仪表不再是一种只能连接一次仪表的检测显示工具,她涵盖的面积越来越广,宇电生产的AI-301M就是一种用于与在计算机控制系统中作为开关量输入输出的接口,它采用RS485与计算机通讯,可为计算机监控系统提供廉价而高可靠性的开关量输入输出,在计算机监控系统的实际应用中可替代一部分PLC的功能,同时也使对各种开关量的控制更简单方便灵活,如配合其他宇电的系列仪表完全可以替代小型计算机监控系统中使用的PLC,提高整个系统的性价比。
应用案例
从AI-301M出现那天起就注定了它广泛的用途。AI-301M可支持10个I/O点,一台仪表可支持不同点数的输入和输出,比PLC配置灵活;开关量输入除了可以输入开关状态外,还可以“捕获”4路断开至接通的跳变,以适应按钮开关的输入。
一、重结晶控制系统
| 重结晶控制系统 |
![]() |
上图是某结晶罐的结晶控制系统,在该系统中(红色框部分)使用了一台AI-301ME5L5L5L4I5I5用了9个I/O点,4个输出点用于手动控制水泵的启停和水温调节的方式,5个输入点用于采集显示搅拌电机旋转、冷水泵动作及调节阀的状态用动画来显示。
二、温度开关检测系统
| 温度开关检测系统 |
![]() |
上图是某电子器件生产厂家抽检成品温度开关的检测系统,由3台AI-301ME5I5I5I5I5I5构成,全部使用开关量输入模块,可同时检测30 个温度开关,大大缩短了抽检时间,并制成与温度关系的报表保存。
三、冷库设备监控系统
| 冷库设备监控系统 |
![]() |
上图为某冷库设备有限公司采用10台AI-301MI5I5I5I5I5I5同时监控20个冷库的进气、排气、化霜状态在同一画面显示,并将相关数据制成报表保存。
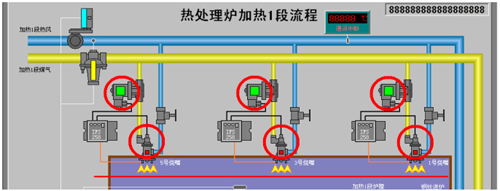
四、燃气钢丝热处理系统
| 燃气钢丝热处理系统 |
![]() |
该热处理加热监控系统使用了4台AI-301ME5I5I5I5I5I5共37个I/O点,主要控制和检测冷却风机,加热器,煤气喷嘴电磁阀,进水电磁阀,煤气浓度报警器等多个开关量输入输出设备。
五、油田贮藏罐
| 油田贮藏罐 |
![]() |
某油田贮藏罐使用一台AI-301M输入模块和触摸屏电脑CE系统采集贮藏罐高高液位报警的开关量在监控软件上显示。
六、高速造粒
| 高速造粒 |
![]() |
在某高速造粒监控系统中使用了2台AI-301ME5I5I5I5I5I5S来采集显示12个开关量输入点,主要是各种风机和电磁阀的状态。
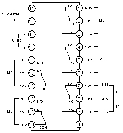
操作使用
![]() |
AI-301M有6个模块插座,你可以按照不同功能选择模块实现对开关量信号输入输出的功能。其中COMM(RS485)专用于安装通讯模块与计算机通讯;其他M1、M2、M3、M4、M5都可以安装2路开关量输入或1/2路继电器输出模块,其中M1还可以安装I2频率输入模块。
可安装的模块
L1/L2:单路继电器常开+常闭触点开关输出模块
L4:单路大容量继电器常开+常闭触点开关输出模块
L5:双路继电器常开触点开关输出模块
S:光电隔离RS485通讯接口模块
I2:单路外部开关量/频率输入接口
I5:双路外部开关量/频率输入接口,干接点,即外部输入为开关量信号
模块如有损坏或需要变更功能是,用户也可自行将仪表的机芯抽出,用一字螺丝刀拆下原模块,按标示装上新模块,有时需上电后改一下参数,这就是模块化的优势使用非常方便。
以昆仑通态MCGS为例,AI系列仪表与监控软件通讯非常方便,通讯协议采用AI系列仪表通用的AIBUS兼容通讯协议,对与MCGS和组态王6.5只要地址(1-100)和波特率(设置9600)对应就可以实现正常数据传输。如使用其他组态软件可使用针对AI系列仪表开发的OPCSERVER1.0软件过渡进行数据传输。
开关量状态读取:执行读指令,仪表模块上的开关量状态按D0D1D2D3D4D5D6D7D8D9的顺序,由低到高按二进制码顺序排列在参数编号R10中,它的数据低10位(D0-D9)表示对应的开关量状态。举例MCGS中的操作。
第1步!SetDevice(设备0,6,"write(r10,变量R10H)")读取参数R10的值
第2步H0=!BitTest(变量R10H,0)分解出第0位赋给开关量H0
第3步在图上显示开关量H0。
开光量状态输入:要使AI-301M上的继电器工作,向参数编号R10写入对应状态字即可。举例MCGS中的操作。
第1步变量变量R10H=!BitClear(变量R10H,0) 或变量R10H=!BitSet(变量R10H,0),给变量R10H的第0位赋0或赋1
第2步!SetDevice(设备0,6,"write(r10,变量R10H)"),直接把变量R10H下传仪表。
结语
AI-301M在上位机软件中使开关量的采集和控制更简单,避免PLC的大量的编程也同样可以在PC上灵活机动的操作电机、电磁阀等执行机构,使小型监控系统作用更完善,同时也提供了比PLC更简便的扩展功能,性价比的提高不言而喻。
返回顶部







