AI-干湿球温湿度控制仪表在塑料大棚蘑菇房应用介绍
2011-12-19
宇电:干湿球温湿度数字显示控制报警通讯仪表(专用于高湿环境)
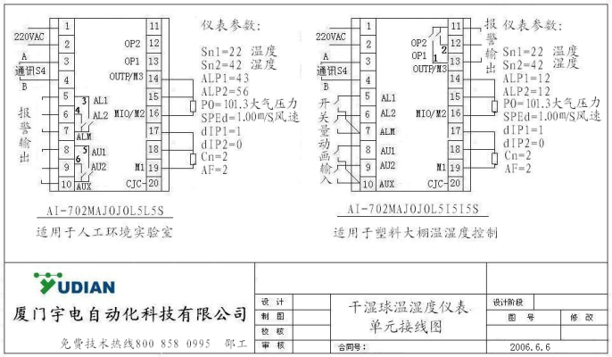
型号:AI-702MAJ0J0L5L5S(二支PT100输入、四路报警输出、有通讯功能。适用于环境试验室。)
AI-702MAJ0J0L5I5I5S(二支PT100输入、二路报警输出、四路开关量输入(显示动画状态)、有通讯功能。适用于塑料大棚蘑菇房。)

一、干湿球湿度计的特点:
1、该系列产品温、湿度测量精度高,具有双通道控制功能,控制效果好。
2、使用Pt100传感器作为温湿度测量探头使用寿命较长,能够适应恶劣环境中的温湿度测量;仪表的长期测量精度比使用一般湿敏元件的仪表更加稳定。
3、该系列仪表专用于高温高湿环境中的温湿度测量和控制。
二、应用场合:
1、大自然环境试验室:由于环境试验室长年累月模拟自然界情况日晒雨淋在高湿情况中能正常运行,显示温湿度,具有温度上下限报警,湿度上下限报警,4组独立报警输出,具有稳定的通讯功能,用计算机软件记录温湿度曲线,观察大自然环境试验室环境变化,观察农作物的生长情况,配合其他风速传感器、气压传感器,所有信号多能有计算机保存。
2、塑料大棚蘑菇房:由于蘑菇房的特点湿度接近接露状态【敏感元件不能正常显示,接露就没有湿度显示】,应用干湿球温湿度仪表能正常显示温湿度,实现温湿度仪表自动控制输出开关量控制加湿,通风,同时风机运行状态开关量信号有温湿度仪表采集传输到计算机记录温湿度曲线,风机开停状态。
三、使用方法:
利用2路三线制Pt100热电阻输入,用干湿球法可同时测量环境温度(干球)及湿度,在风速和大气压力稳定条件下,经校准后湿度测量精度优于1%RH,该方法可适应温度0~100度及湿度0~100%RH的测量范围,解决了一般陶瓷湿度传感器在高温高湿下无法长期工作问题。M1、M2分别装两个J0模块,2路三线制热电阻输入,Sn1设置为22,Sn2设置为42,大气压力和风速由Po及SPEd两个参数定义。由于两只Pt100及测量通道的微小误差都会对湿度测量带来较大的误差,因此测量湿度前建议先校准湿度,校准可将干球Pt100也缠上纱布,与湿球同等条件,稳定后调整Sc2参数,使湿度显示值为100%,再将干球纱布去除即可。温度测量分辨率为0.01度,湿度测量分辨率为0.1%RH,但末位数较不稳定,建议设置dIP1=1,dIP2=0,使显示分辨率分别位0.1℃及1%RH。
四、维护介绍:
根据《国际标准干湿球计算表》干湿球法测量湿度计算公式,计算空气的相对湿度,采用间接测量方法用五个参数;湿球四周风速(又叫流过湿球表面的空气速度)、干球温度、湿球温度、大气压力、饱和水蒸气压力来设计的。
干湿球测湿法的维护相当简单,在实际使用中,只需定期给湿球加水及更换湿球纱布即可。与电子式湿度传感器相比,干湿球测湿法不会产生老化,精度下降等问题。所以干湿球测湿方法更适合于在高温及恶劣环境的场合使用。
干湿球测湿法采用间接测量方法,通过测量干球、湿球的温度经过计算得到湿度值,因此对使用温度没有严格限制,在高温环境下测湿不会对传感器造成损坏。
早在18世纪人类就发明了干湿球湿度计,历史悠久,使用普遍。干湿球法是一种间接方法,它用干湿球方程换算出湿度值,而此方程是有条件的:干湿球湿度计的准确度还取决于干球、湿球两支温度计本身的精度;湿度计必须处于通风状态即在湿球附近的风速必需达到2.5m/s以上:只有纱布水套、水质、风速都满足一定要求时,才能达到规定的准确度。
返回顶部
